SP5519F
是一款高效率、升壓型LED背光驅動DC/DC控制電路,采用特殊的高壓工藝進行設計,使電路可以在12V和24V電源電壓輸入下,穩定可靠的工作
詳細介紹
文檔與工具
樣品及購買
SP5519F是一款高效率、升壓型LED背光驅動DC/DC控制電路,采用特殊的高壓工藝進行設計,使電路可以在12V和24V電源電壓輸入下,穩定可靠的工作;電路采用固定關斷時間控制模式,關斷時間通過外部電阻精確調節,靈活的關斷時間設置方式,極大地擴展了SP5519F的應用范圍;電路利用補償電容進行軟啟動,減小啟動瞬間尖峰電流對輸出的沖擊;高精度的0.26V內部基準電壓,大大提高了LED恒流精度,LED電流通過外部電阻進行精確設置。
SP5519F提供完善的保護功能,包括輸入電壓欠壓保護(UVLO)、逐周期的功率管過流保護(OCP)、過溫保護(OTP)。
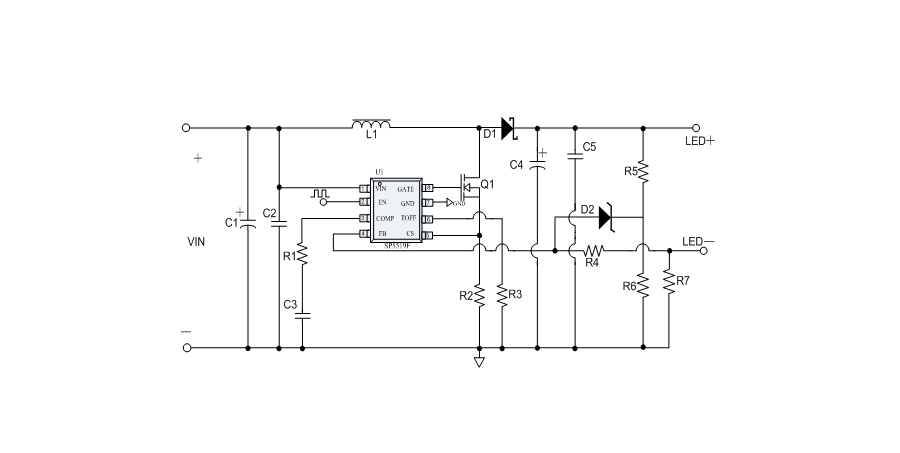
典型應用框圖
應用
● 內置上電軟啟動
● 內置前沿消隱(LEB)功能
● 逐周期過流保護(OCP)
● 輸入電壓欠壓保護(UVLO)
● 過溫保護(OTP)
● 關斷時間電阻可調
● 效率可達90%以上
● 寬電壓輸入范圍:8V~35V
● SOP8無鉛封裝
● LED背光驅動
● LED照明驅動
樣品及購買
樣片申請
推薦產品
