SP6538FB
詳細介紹
文檔與工具
樣品及購買
SP6538FB是一顆高性能的開關電源次級側同步整流控制電路。在低壓大電流開關電源應用中,輕松滿足6級能效,是理想的超低導通壓降整流器件的解決方案。芯片可支持高達150kHz的開關頻率應用,并且支持CCM / QR / DCM等開關電源工作模式應用,其極低導通壓降產生的損耗遠小于肖特基二極管的導通損耗,極大提高了系統的轉換效率,大幅降低了整流器件的溫度。
芯片內置耐壓80V的NMOSFET同步整流開關,且具有極低的內阻,典型RdsON低至10mΩ,可提供系統高達3A的應用輸出;還內置了高壓直接檢測技術,耐壓高達200V;以及高達30V的供電電壓,使得控制器可直接使用高至24V的輸出電壓整流應用中,極大擴展了使用范圍。
高集成度的電路設計使得芯片外圍電路極其簡單,在QC與PD 5V/9V/12V應用中,只需搭配1顆電容,即可構建一個完整的同步整流應用系統。
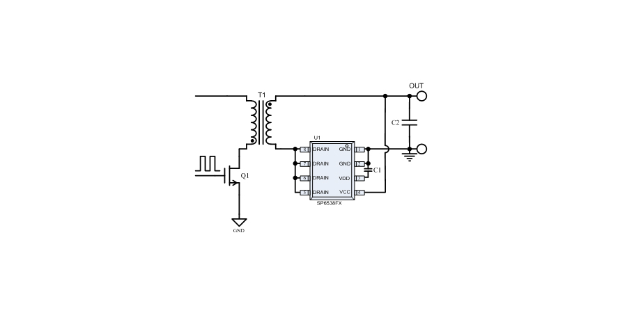
典型應用框圖
應用
● 支持開關電源CCM/QR/DCM模式
● 極佳的5V/9V/12V快充同步整流應用
● 內置MOS耐壓達80V
● 內置MOS的導通電阻最低至10mΩ
● 較傳統肖特基提升效率2~6%
● 極寬的工作電壓范圍4.5V至36V
● 可5V直接供電或由輔助繞組供電
● 靜態工作電流可低至600uA
● 支持開關電源頻率最高至150KHz
● SOP8封裝形式
● 5V3A~12V3A、快充電源
● 18W-PD快充電源
● 高能效開關電源
樣品及購買
樣片申請
推薦產品
